
Hand position: right or left, for your choice, clockwise or anti-clockwise with or without spring, for your choice
Color: Black or customers requirement
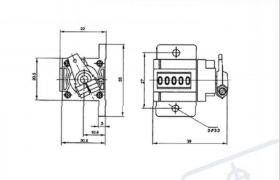
Digits: mainly five digits
This counter is widely used to accumulative record the working times of some record machines or mechanical apparatus.
The count result is showed directly.
It has long life, reliable result, can adapt to different environment, and mainly applies in spin, machinery, mine and other.


微信
联系电话
联系电话
0757-81851984